X

给我们留言

E-Mail: 412305565@qq.com

Tel: 13567723322

中文
Contact Us

当前位置:首页>产品中心>刀型闸阀系列>手动刀型闸阀 > 手动法兰刀闸阀PZ43H

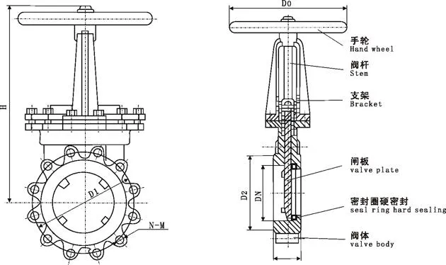
手动法兰刀闸阀PZ43H

刀型闸阀系列

咨询热线:

0577-67962833 / 13567723322

{contnet:title}

产品详情

联系我们

wechat

打开微信扫一扫

服务热线

135-6772-3322

联系电话:0577-67962833

销售总机:0577-67371666

地址:浙江省温州永嘉瓯北镇五星工业区

E-mail:412305565@qq.com

Copyright© 2025 浙江永冠阀门有限公司 All Rights Reserverd

浙ICP备11044792号